ATPEDS

Austrian Thermal Power Energy Data System

ATPEDS-Logo


Datenarten

ATPEDS dient der Erfassung, Verwaltung, Auswertung und Darstellung von allen Arten von Daten, die rund um den Betrieb von thermischen Kraftwerken anfallen.

  • Energieerzeugung und -verbrauch (kontrahierte, tatsächliche Mengen),
  • Brennstoff- und Materialwirtschaft,
  • Umwelt und Chemie,
  • Erlöse und Kosten

Daten werden in Taktungen zwischen wenigen Minuten und Jahren erfasst. Der Datenimport erfolgt aus unterschiedlichsten Quellen: Leitsysteme, Zähler, Fremddatenbanken, E-Mails, manuelle Eingaben. Sämtliche Daten sind in einer Datenbank verspeichert.

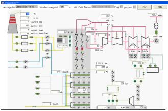
Anzeige- und Bearbeitungsdialog
Anlagenbild Kraftwerk

Zugriff

Die Messgrößen unterliegen einem hierarchischen System: Kraftwerk / beobachtetes Objekt / Messgrößentyp. Der Zugriff erfolgt auf Basis dieses Systems bzw. über Listengruppen, frei definierbare Kombinationen von Messgrößen.

Sicherheit

Da Kraftwerksdaten jedenfalls sensibel sind, wird großes Augenmerk auf Datensicherheit und Datenschutz gelegt. Benutzer des ATPEDS gehören unterschiedlichen Benutzerrollen an, die jeweils wohl definierte Zugriffsrechte auf einzelne Daten und Berichte innehaben.

Formelmodul

Mittels frei definierbarer Formeln und Prozeduren werden neue und geänderte Daten automatisch zu neuen Datenreihen verknüpft: , , .

  • algebraische Berechnungen,
  • Summen,
  • Lagerstände,
  • PL-SQL-Prozeduren
Grafik von Zeitreihen
Bericht: mittels Oracle Reports erstellt

Auswertung und Grafik

Die Auswertung der Daten erfolgt durch Statistiken und Datenaggregation (mit Rücksicht auf Belange der Energiewirtschaft), Grafiken, Exporte. Berichte werden mittels Oracle Reports bzw. im MS-Excel-Format erstellt (hierbei können auch MS-Excel Vorlagen verwendet werden).

Konfiguration

ATPEDS ist Web-basierend und läuft unter Oracle Application Server 10g und Oracle DBMS.
Beispiel: 5000 Messgrößen, 4000 Formeln.
Optional: Datenabfrage via SMS; siehe auch HISalarm
ATPEDS wurde im Auftrag und Eigentum der Verbund Austrian Thermal Power von Simutech entwickelt.


Im Info-Formular können Sie nähere Informationen anfordern

Home
Copyright Simutech 2004
Mail an den Webmaster